Przystosowanie spawarki transformatorowej do spawania metodą TIG jest wykonalne, ale wymaga kilku kluczowych modyfikacji. Aby uzyskać prąd stały, niezbędny do tej techniki, konieczne jest podłączenie mostka prostowniczego i dławika. Uchwyt TIG należy podłączyć do zacisku „-”, a zacisk „+” do masy. Warto jednak pamiętać, że spawarki transformatorowe mają swoje ograniczenia, takie jak brak bezdotykowego zajarzania łuku, co jest standardem w profesjonalnych urządzeniach TIG.
W artykule omówimy, jak krok po kroku przeprowadzić modyfikację spawarki, jakie komponenty będą potrzebne oraz jakie są zasady bezpieczeństwa. Zrozumienie tych aspektów pomoże w efektywnym przystosowaniu sprzętu i osiągnięciu lepszej jakości spoiny. Choć modyfikacja jest możliwa, komfort pracy i jakość spoiny będą znacznie niższe w porównaniu do profesjonalnych spawarek TIG, dlatego warto rozważyć zakup dedykowanego urządzenia, jeśli planujesz poważnie zajmować się tą metodą spawania.
Kluczowe informacje:
- Do spawania TIG potrzebny jest prąd stały, uzyskiwany przez mostek prostowniczy i dławik.
- Uchwyt TIG łączy się z zaciskiem „-”, a zacisk „+” z masą.
- Brak bezdotykowego zajarzania łuku można obejść poprzez metody dotykowe, takie jak TIG Lift czy TIG Scratch.
- Wymagany jest zewnętrzny gaz osłonowy, zazwyczaj argon, dostarczany przez reduktor i wężyk.
- Komfort pracy i jakość spoiny w modyfikowanej spawarce będą niższe niż w profesjonalnych urządzeniach.
Jak przygotować spawarkę transformatorową do modyfikacji TIG?
Przygotowanie spawarki transformatorowej do modyfikacji TIG to kluczowy krok, który wymaga staranności i przemyślenia. Zanim przystąpimy do jakichkolwiek zmian, warto ocenić aktualne możliwości urządzenia. Sprawdzenie stanu technicznego spawarki, jej wydajności oraz dostępnych komponentów to podstawowe działania, które pozwolą na skuteczną konwersję. Właściwe przygotowanie zminimalizuje ryzyko napotkania problemów w dalszym etapie modyfikacji.Ważnym aspektem jest również zrozumienie, jakie zmiany są konieczne do przeprowadzenia, aby spawarka mogła efektywnie pracować w trybie TIG. Należy zwrócić uwagę na komponenty, które będą wymagały wymiany lub dodania, takie jak mostek prostowniczy czy dławik. Bez odpowiednich modyfikacji, spawarka nie będzie w stanie generować prądu stałego, co jest kluczowe dla spawania TIG. Dlatego odpowiednie przygotowanie i planowanie są niezbędne, aby osiągnąć oczekiwane rezultaty.
Wybór odpowiednich komponentów do konwersji TIG
Wybór komponentów do konwersji spawarki transformatorowej na TIG jest kluczowy dla sukcesu całego przedsięwzięcia. TIG Torch WP-17 to jeden z najczęściej wybieranych uchwytów TIG, który zapewnia wygodę i precyzję podczas spawania. Kolejnym istotnym elementem jest Gaz Regulator CGA-580, który umożliwia kontrolowanie przepływu argonu, niezbędnego do osłony spoiny. Dodatkowo, warto rozważyć użycie mostka prostowniczego, który przekształca prąd zmienny w stały, co jest niezbędne w procesie TIG.
- TIG Torch WP-17 - popularny uchwyt do spawania TIG, zapewniający łatwość w manewrowaniu.
- Gaz Regulator CGA-580 - regulator do kontrolowania przepływu argonu, kluczowy dla jakości spoiny.
- Mostek prostowniczy - przekształca prąd zmienny w stały, co jest niezbędne dla spawania TIG.
Narzędzia i materiały potrzebne do modyfikacji
Do przeprowadzenia modyfikacji spawarki transformatorowej na TIG będziemy potrzebować odpowiednich narzędzi i materiałów. Wkrętaki, lutownice oraz przewody to podstawowe narzędzia, które ułatwią proces modyfikacji. Niezbędne będą również materiały eksploatacyjne, takie jak elektrody wolframowe oraz gaz osłonowy w postaci argonu. Oprócz tego, warto zaopatrzyć się w wyposażenie ochronne, takie jak rękawice spawalnicze czy gogle, aby zapewnić sobie bezpieczeństwo podczas pracy.Jak przeprowadzić krok po kroku modyfikację spawarki?
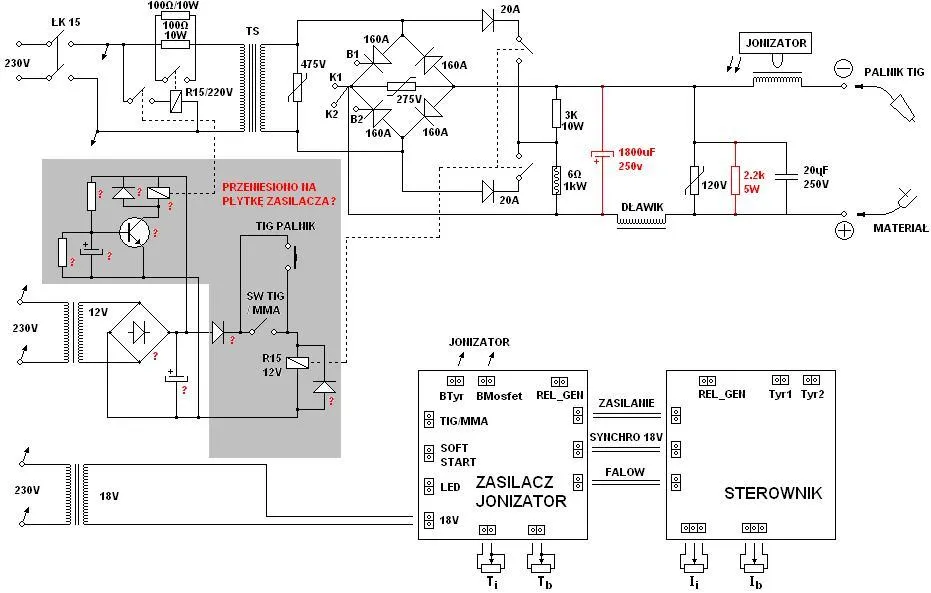
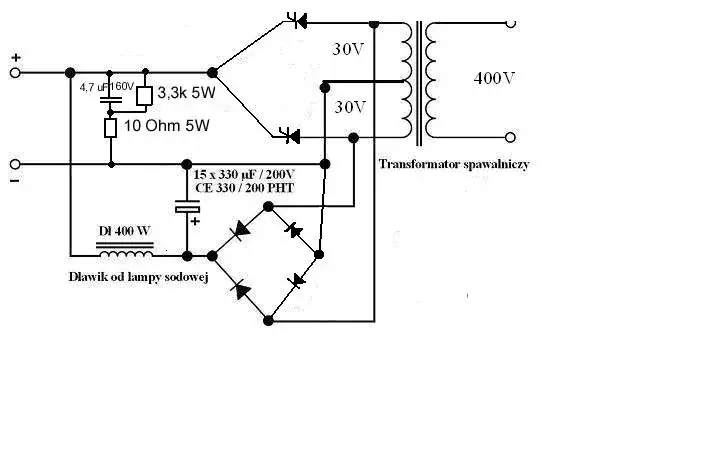
Aby skutecznie przystosować spawarkę transformatorową do spawania metodą TIG, należy przejść przez kilka kluczowych etapów. Po pierwsze, ważne jest podłączenie mostka prostowniczego, który przekształca prąd zmienny w stały. W tym celu należy odłączyć przewody od wyjścia spawarki i podłączyć mostek prostowniczy do odpowiednich terminali. Upewnij się, że wszystkie połączenia są solidne, aby uniknąć problemów z przepływem prądu. Dobrze wykonane połączenie jest fundamentem dla dalszych modyfikacji.
Następnie, zainstaluj dławik, który pomoże w stabilizacji prądu. Dławik powinien być podłączony do wyjścia spawarki, a jego zadaniem jest wygładzanie prądu stałego, co jest istotne dla jakości spawania TIG. Po podłączeniu dławika, przetestuj spawarkę, aby upewnić się, że wszystko działa poprawnie. Warto również sprawdzić, czy nie występują żadne luźne połączenia, które mogłyby wpłynąć na wydajność spawarki.
Proces instalacji uchwytu TIG i regulatora gazu
Po zainstalowaniu mostka prostowniczego i dławika, czas na instalację uchwytu TIG oraz regulatora gazu. Uchwyt TIG należy podłączyć do zacisku „-” (minus), natomiast zacisk „+” (plus) powinien być połączony z masą. Ważne jest, aby uchwyt był dobrze zamocowany, co zapewni stabilność podczas spawania. Upewnij się, że wszystkie połączenia są szczelne, aby uniknąć problemów podczas pracy.
Regulator gazu, który dostarcza argon, również wymaga odpowiedniego podłączenia. Podłącz wąż od butli z gazem do regulatora, a następnie do uchwytu spawalniczego. Pamiętaj, aby przed rozpoczęciem spawania otworzyć zawór gazu, co umożliwi swobodny przepływ argonu. Kontrola dopływu gazu jest kluczowa dla jakości spoiny, dlatego warto zainwestować w uchwyt z zaworkiem, który pozwala na łatwe dostosowanie przepływu gazu.
Podłączenie i konfiguracja źródła prądu
Podłączenie i konfiguracja źródła prądu są kluczowe dla prawidłowego działania spawarki transformatorowej przystosowanej do spawania TIG. Po zainstalowaniu mostka prostowniczego i dławika, należy ustawić odpowiednie napięcie, aby uzyskać optymalną jakość spawania. W przypadku spawania TIG, zazwyczaj zaleca się napięcie w zakresie od 10 do 20 V, w zależności od grubości materiału, który zamierzamy spawać. Warto również zwrócić uwagę na ustawienia prądu, który powinien być dostosowany do rodzaju i grubości używanej elektrody.
Po dokonaniu ustawień, należy przeprowadzić testowe spawanie, aby upewnić się, że wszystkie parametry są poprawnie skonfigurowane. Monitorowanie stabilności prądu jest istotne, ponieważ niestabilny przepływ może prowadzić do niejednorodnych spoin. W przypadku problemów z jakością spawania, warto dostosować napięcie i prąd, aby osiągnąć pożądane rezultaty. Pamiętaj, aby regularnie kontrolować ustawienia, zwłaszcza przy zmianie materiałów lub grubości spawanych elementów.
Ochrona osobista i zabezpieczenia w miejscu pracy
Podczas modyfikacji spawarki transformatorowej na TIG, ochrona osobista jest kluczowym elementem zapewniającym bezpieczeństwo. Należy zawsze nosić odpowiednie wyposażenie ochronne, takie jak gogle spawalnicze, rękawice oraz odzież odporną na wysoką temperaturę. Gogle chronią oczy przed promieniowaniem i odpryskami, natomiast rękawice zapewniają ochronę przed poparzeniami i urazami mechanicznymi. Dobrze dobrane ubranie powinno być wykonane z materiałów, które nie łatwo się zapalają, co jest istotne w pracy ze spawarką.
Oprócz osobistego wyposażenia, organizacja miejsca pracy również odgrywa istotną rolę w zapewnieniu bezpieczeństwa. Upewnij się, że obszar roboczy jest czysty i wolny od zbędnych przedmiotów, które mogą stanowić przeszkodę. Warto również zadbać o odpowiednie oświetlenie, aby zminimalizować ryzyko wypadków. Zawsze trzymaj w zasięgu ręki gaśnicę i inne niezbędne narzędzia, co pozwoli szybko zareagować w przypadku niebezpiecznych sytuacji.
Upewnienie się o prawidłowym uziemieniu urządzenia
Prawidłowe uziemienie urządzenia jest kluczowe dla bezpieczeństwa podczas spawania. Uziemienie chroni przed porażeniem prądem oraz minimalizuje ryzyko uszkodzenia sprzętu. Upewnij się, że przewód uziemiający jest solidnie podłączony do odpowiedniego miejsca w spawarce i do stabilnego punktu uziemienia w miejscu pracy. Dobrym rozwiązaniem jest użycie przewodu miedzianego o odpowiedniej grubości, aby zapewnić skuteczne odprowadzenie prądu. Regularnie sprawdzaj stan uziemienia, aby upewnić się, że nie ma żadnych uszkodzeń ani luźnych połączeń.
Czytaj więcej: Jaką spawarkę inwertorową kupić, aby uniknąć rozczarowań?
Jakie są zalety i wady spawarki po modyfikacji TIG?
Modyfikacja spawarki transformatorowej do spawania TIG może przynieść zarówno korzyści, jak i wady. Jedną z głównych zalet jest niższy koszt w porównaniu do zakupu profesjonalnej spawarki TIG. Użytkownicy, którzy już posiadają spawarkę transformatorową, mogą zaoszczędzić na inwestycji, przystosowując istniejące urządzenie. Jednakże, wydajność i jakość spoiny mogą być znacznie gorsze niż w przypadku dedykowanych maszyn TIG, co może wpływać na komfort pracy oraz rezultaty spawania.
Warto również zauważyć, że modyfikacja spawarki wiąże się z pewnymi ograniczeniami. Brak funkcji bezdotykowego zajarzania oraz mniejsza stabilność prądu mogą prowadzić do trudności w uzyskaniu wysokiej jakości spoin. W porównaniu do profesjonalnych spawarek TIG, które oferują zaawansowane funkcje i lepszą kontrolę nad procesem spawania, zmodyfikowana spawarka może nie spełniać oczekiwań zaawansowanych użytkowników. W związku z tym, przed podjęciem decyzji o modyfikacji, warto rozważyć swoje potrzeby oraz oczekiwania wobec sprzętu.
Porównanie wydajności z profesjonalnymi spawarkami TIG
Porównując wydajność zmodyfikowanej spawarki transformatorowej z profesjonalnymi spawarkami TIG, można zauważyć istotne różnice. Profesjonalne maszyny TIG oferują stabilniejszy prąd, co przekłada się na lepszą jakość spoiny. W przypadku spawania materiałów o różnej grubości, profesjonalne spawarki pozwalają na precyzyjniejsze ustawienia, co zwiększa elastyczność w pracy. Zmodyfikowane spawarki mogą mieć trudności z uzyskaniem jednolitych spoin, co jest kluczowe w wielu zastosowaniach przemysłowych.
| Specyfikacja | Zmodyfikowana spawarka | Profesjonalna spawarka TIG |
| Stabilność prądu | Niska | Wysoka |
| Jakość spoiny | Średnia | Wysoka |
| Możliwość regulacji | Ograniczona | Zaawansowana |
| Koszt | Niski | Wysoki |
Koszty modyfikacji w porównaniu do zakupu nowego sprzętu
Analizując koszty modyfikacji spawarki transformatorowej w porównaniu do zakupu nowej spawarki TIG, można zauważyć znaczną różnicę. Inwestycja w modyfikację jest zazwyczaj znacznie niższa niż zakup profesjonalnej maszyny. Koszty komponentów, takich jak mostek prostowniczy i dławik, są relatywnie niewielkie, co czyni tę opcję atrakcyjną dla amatorów i hobbystów. Jednakże, warto pamiętać, że oszczędności te mogą być kosztem wydajności oraz jakości spawania, co może prowadzić do dodatkowych kosztów w dłuższej perspektywie, jeśli konieczne będą poprawki lub wymiana sprzętu.
Jak wykorzystać modyfikację spawarki do nauki i eksperymentów?
Modyfikacja spawarki transformatorowej na TIG może być doskonałą okazją do nauki i eksperymentowania z różnymi technikami spawania. Dla osób, które dopiero zaczynają swoją przygodę z spawaniem, przystosowanie istniejącego sprzętu może stanowić cenną lekcję na temat działania spawarki oraz zasad spawania TIG. Umożliwia to praktyczne zrozumienie procesów, które zachodzą podczas spawania, a także pozwala na rozwijanie umiejętności w bezpiecznym i kontrolowanym środowisku.
Warto także rozważyć eksperymentowanie z różnymi materiałami i ustawieniami, aby lepiej zrozumieć, jak zmiany wpływają na jakość spoiny. Przykładowo, spawanie różnych stopów metali, takich jak aluminium czy stal nierdzewna, może dostarczyć cennych informacji na temat tego, jak dostosować parametry spawania. Tego typu doświadczenia mogą wzbogacić wiedzę i umiejętności, co w przyszłości zaowocuje lepszymi rezultatami w profesjonalnym spawaniu. W miarę zdobywania doświadczenia, użytkownicy mogą również rozważyć rozwój własnych technik spawania, co może prowadzić do innowacyjnych rozwiązań w praktyce spawalniczej.
